HOME | PRODOTTI | PRESSOSTATI | PRESSOSTATI A MEMBRANA | PS 389/489

• Modelli
- PS 389: campi di misura compresi fra 1 e 160 bar;
- PS 489: campi di misura compresi fra 6 e 600 mbar.
• Custodia
- cassa e coperchio di acciaio inox AISI 304 con serraggio a baionetta.
• Grado di protezione della custodia (secondo EN 60529)
- IP 65.
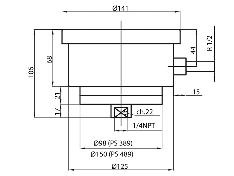
• Attacco di pressione di acciaio inox AISI 316L:
- 1/4-18 NPT (1/4 NPT femmina) - di serie;
- G 1/2 B (1/2 Gas o BSP maschio) o 1/2-14 NPT EXT (1/2 NPT maschio) - su richiesta.
• Elemento sensibile
- membrana di acciaio inox AISI 316;
- membrana rivestita (vedere voce specifica).
• Guarnizione dell’elemento sensibile
- di P.T.F.E..
• Campi di regolazione
- vedere tabella PS 1.
• Intervento elettrico
- 1 o 2 microinterruttori con contatti di scambio (SPDT) - vedere tabella PS 2.
• Differenziale
- Fisso, o regolabile 10÷50% del campo di regolazione per campi ? 1 bar - vedere tabelle PS 1 e PS 2.
• Ripetibilità
- ? 1% del valore di fondo scala.
• Regolazione del punto di intervento
- interna, con vite a passo fine per regolazione micrometrica.
• Cablaggio elettrico
- a morsettiera.
• Connessione elettrica
con filettatura R 1/2 (1/2 Gas conico o BSPT femmina) (altre su richiesta).
• Temperatura ambiente
- -25 ÷ +65 °C.
• Temperatura di utilizzo
- max 100 °C.
• Deriva termica
- ? 0,05% ogni °C di variazione.
Pressostati a membrana