Loading...

FANTINELLI Srl

Manometri in acciaio inox

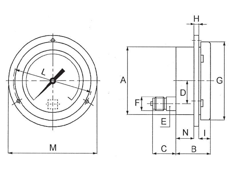
Manometro con attacco posteriore per montaggio incassato e fissaggio con 3 fori  
SP 211

• Diametri nominali

- 63, 100, 150, 200 e 250.


• Custodia

- cassa e anello di acciaio inox AISI 304 con serraggio a baionetta (esecuzione B).


• Grado di protezione della custodia (secondo EN 60529)

- IP 55 per l’esecuzione D (a secco);

- IP 67 per l’esecuzione F (a riempimento) e per l’esecuzione P (predisposta).


• Trasparente

- di vetro temprato per DN 63, 100 e 150;

- di metacrilato per DN 200 e 250;

- di vetro stratificato (variante V17).


• Dispositivo di sicurezza

- tappo di gomma a tenuta stagna;


• Liquido di riempimento

- glicerina (di serie);

- fluido siliconico (su richiesta - variante V64).


• Attacco di pressione (secondo EN 837-1) con filettatura Gas (BSP), Gas conico (BSPT) o NPT secondo la quota F delle tab. SP, o altre filettature su richiesta:

- di acciaio inox AISI 316L (esecuzione 2);

- di Monel 400 (variante W04).


• Elemento sensibile

- di acciaio inox AISI 316L (esecuzione 2);

- di Monel 400 (varianti M04 e W04).


• Saldatura dell’elemento manometrico

- arco elettrico in atmosfera controllata.


• Movimento

- di acciaio inox.


• Campi di scala (secondo EN 837-1)

o Valore massimo:

- 1600 bar.

o Divisioni riferite a valori di pressione compresi tra –1 e 1600 bar:

- manometri: vedere tabella C1 a pag. P04;

- vuotometri e manovuotometri: vedere tabella C1 a pag. P04;

- altri campi non normalizzati per singola o doppia scala (su richiesta).

o Unità di pressione:

- bar, kPa, MPa, kg/cm² e psi per singola o doppia scala.

o Angolo della scala:

- 270 °.


• Pressione di esercizio (riferita al valore di fondo scala)

- costante da 1/10 a 3/4 circa;

- variabile da 1/10 a 2/3 circa;

- pulsante da 1/10 a 1/2 circa.


• Sovrappressione (occasionalmente ammessa)

- 130% del valore di fondo scala.


• Indice

- di alluminio a regolazione micrometrica;

- di alluminio con virola fissa per DN 63.


• Quadrante

- di allumino con scale graduate e scritte in nero indelebile su fondo bianco (per eventuali modifiche al quadrante vedere le varianti previste).


• Precisione (secondo EN 837-1)

- classe 1 (± 1% riferito al valore di fondo scala) per DN 100, 150, 200 e 250;

- classe 1,6 (± 1,6% riferito al valore di fondo scala) per DN 63.


• Temperatura ambiente

- -40 ÷ +60 °C esecuzione a secco;

- -20 ÷ +60 °C esecuzione a riempimento di glicerina;

- -40 ÷ +60 °C esecuzione a riempimento di fluido siliconico.


• Deriva termica

- al di fuori dei valori di temperatura ambiente ottimale compresi fra +15 ÷ + 25 °C, la deriva termica influisce sulla precisione dello strumento nell’ordine dello 0,3% ogni 10 C.


• Temperatura di utilizzo

- -40 ÷ +250 °C esecuzione a secco;

- -20 ÷ +100 °C esecuzione a riempimento di glicerina;

- -40 ÷ +120 °C esecuzione a riempimento di fluido siliconico.

Manometri “tutto inox” a molla tubolare

  • custodia a tenuta stagna a secco o a riempimento di liquido;
  • DN 63 - 100 - 150 - 200 - 250; (Vedere serie SF per esecuzione a fronte solido)
  • campi di misura compresi fra -1 e 1600 bar.