HOME | PRODUCTS | DIAPHRAGM PRESSURE SWITCHS | DIAPHRAGM DIFFERENTIAL PRESSURE SWITCHES | PS 399/499

• Models
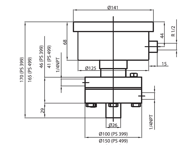
- PS 399: ranges included between 1 and 10 bar;
- PS 499: ranges included between 250 and 600 mbar.
• Casing
- case and cover in AISI 304 stainless steel with bayonet lock.
• Protection degree (according to EN 60529)
- IP 65.
• Pressure connection AISI 316L stainless steel:
- 1/4-18 NPT (1/4 NPT female) - standard;
- G 1/2 B (1/2 Gas o BSP male) or 1/2-14 NPT EXT (1/2 NPT male) - on request.
• Pressure element
- AISI 316 stainlees steel diaphragm with 2 AISI 321 stainless steel bellows.
• Pressure element gasket
- di P.T.F.E..
• Setting ranges
- see table PS 3.
• Static pressure
- see table PS 3.
• Electrical specifications
- 1 or 2 microswitches with change-over contacts (SPDT) - see table PS 4.
• Differential
- Fixed, of adjustable 10÷.50% of setting range for ranges ? 1 bar - see tables PS 3 and PS 4.
• Repeatability
- ? 1% of Full scale deflection.
• Set-point adjustment
- internal, micrometric adjustable.
• Electrical wiring
- terminal box.
• Electrical connection
- R 1/2 (1/2 Gas or BSPT female) thread (others on request).
• Ambient temperature
- -25 ÷ +65 °C.
• Operating temperature
- max 100 °C.
• Thermal drift
- ? 0,05% ogni °C di variazione.
Diaphragm differential pressure switchs