HOME | PRODOTTI | TERMOMETRI | TERMOMETRI A GAS | ST 383

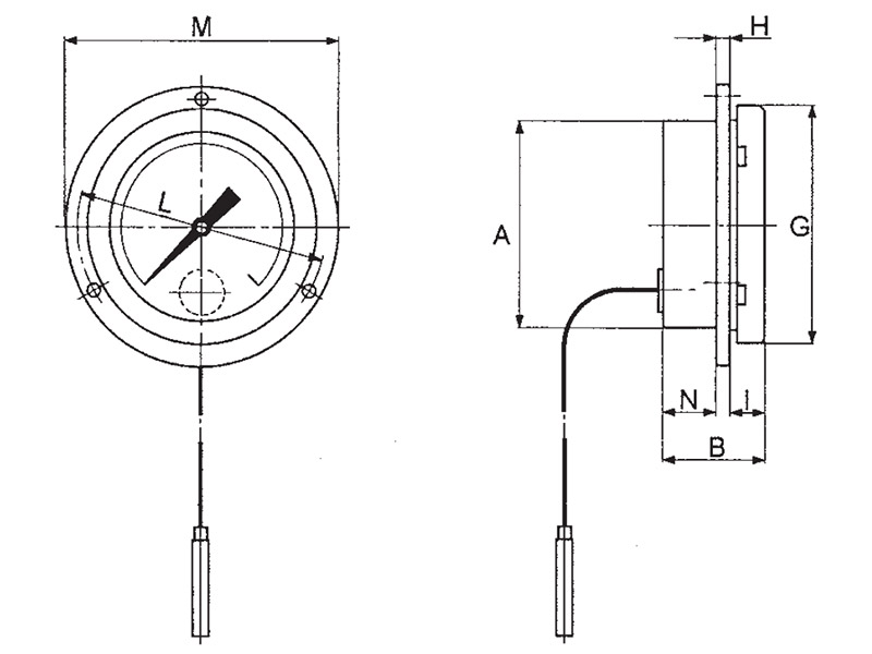
• Diametri nominali
- 100 e 150.
• Custodia
- cassa e anello di acciaio inox AISI 304 (AISI 316 su richiesta - variante V61) con serraggio a baionetta.
• Grado di protezione della custodia (secondo EN 60529)
- IP 55 per l’esecuzione a secco;
- IP 67 (variante V66 e V72).
• Trasparente
- di vetro per gli strumenti a secco;
- di vetro stratificato per gli strumenti a riempimento di liquido o su richiesta (variante V17).
• Elemento termometrico
- molla a spirale di acciaio al Cr Mo.
• Movimento
- di acciaio inox.
• Campi di scala (secondo EN 13190)
o Campi di numerazione: - 0 ÷ 60; 0 ÷ 100; 0 ÷ 120; 0 ÷ 160; 0 ÷ 200; 0 ÷ 250; 0 ÷ 300; 0 ÷ 400; 0 ÷ 500; 0 ÷ 600; -40 ÷ +60; -20 ÷ +40; -20 ÷ +100; (divisioni secondo tabella C2 a pag. P04)
- altri campi non normalizzati per singola o doppia scala (su richiesta).
o Unità di temperatura:
- °C (gradi Celsius) e °F (gradi Fahrenheit) per singola o doppia scala
o Angolo della scala:
- 270 °.
• Temperatura di esercizio (riferita al valore di fondo scala)
- da 1/10 a 9/10 circa.
• Sovratemperatura (occasionalmente ammessa)
- 115% del valore di fondo scala per tutti i campi di misura escluso 0÷600 °C.
• Indice
- di alluminio a regolazione micrometrica anche per le versioni con il contatto elettrico.
• Quadrante
- di alluminio con scale graduate e scritte in nero indelebile su fondo bianco (per eventuali modifiche vedere le varianti previste).
• Precisione (secondo EN 13190)
- classe 1;
- classe 0,6 (su richiesta - variante V36).
nota: in caso di strumento con contatto elettrico, la precisione indicata sul quadrante non considera l’influenza del dispositivo.
• Capillare
- di acciaio inox AISI 316 senza rivestimento; (sigla di identificazione KZ)
- di acciaio inox AISI 316 con rivestimento flessibile di acciaio inox AISI 316. (sigla di identificazione KY)
nota: i termometri a distanza si identificano con il numero della figura nella quale sono rappresentati, aggiungendo il riferimento relativo al capillare (sigla di identificazione K), al suo materiale ed al suo rivestimento (sigla di identificazione Z o Y), seguito dal numero che indica la lunghezza in metri del capillare medesimo.
• Lunghezza del capillare
- standard: 1, 2, 3 e 4 metri;
- speciale: su richiesta;
- massima: 25 metri .
• Bulbo sensibile (vedere a pagina ST05 e ST06)
- cilindrico diametro 12 mm;
- cilindrico diametro 8 mm.
• Pozzetto (vedere a pagina PZ01e PZ02)
- ricavato da tubo - tipo P2 e P4;
- ricavato da barra - tipo P3 e P5 (le dimensioni ed i materiali vengono stabiliti in sede di ordinazione).
• Deriva termica
- rispetto alla temperatura ambiente di 20 °C ed in funzione della lunghezza del capillare, influisce sulla precisione dello strumento nell’ordine dello ± 0,15% al metro ogni 10 °C di variazione.
Termometri ad espansione