HOME | PRODOTTI | MANOMETRI DIFFERENZIALI | MANOMETRI DIFFERENZIALI A SINGOLA MEMBRANA | DP 370-C

• Diametri nominali
- 100 e 150.
• Esecuzione
- A... montaggio diretto;
- B... montaggio sporgente con staffa;
- C... montaggio incassato a retro quadro;
- D... montaggio su palina da 2”;
- ...D a secco;
- ...F a riempimento di liquido;
- ...P predisposta per il riempimento.
• Custodia
- cassa e anello di acciaio inox AISI 304 (AISI 316 su richiesta - variante V61) con serraggio a baionetta.
• Grado di protezione della custodia (secondo EN 60529)
- IP 55 per l’esecuzione D;
- IP 67 per l’esecuzione F e P.
• Trasparente
- di vetro per l’esecuzione D;
- di metacrilato per l’esecuzione F e P;
- di vetro stratificato (su richiesta - variante V17).
• Liquido di riempimento della custodia
- fluido siliconico (di serie).
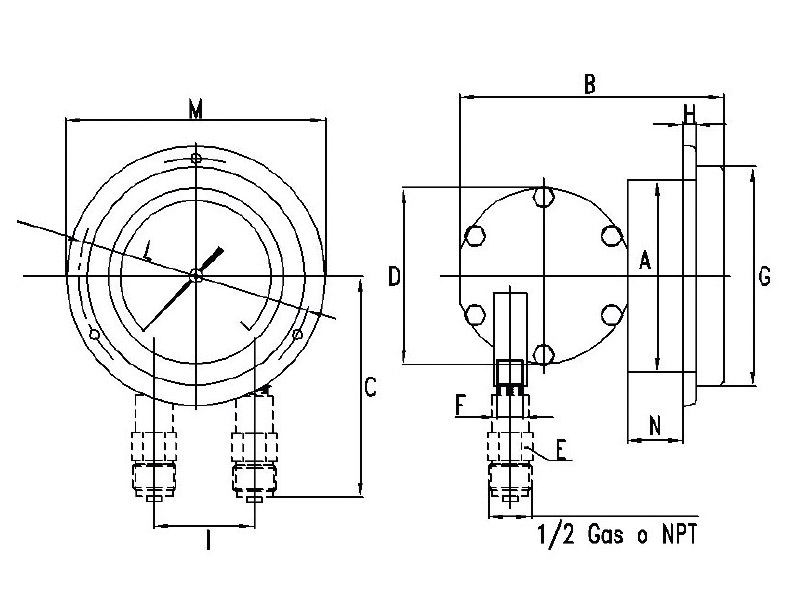
• Attacchi di pressione (secondo EN 837) o di acciaio inox AISI 316L:
- 1/4-18 NPT (1/4 NPT femmina) - di serie;
- G 1/2 B (1/2 Gas o BSP maschio) o 1/2-14 NPT EXT (1/2 NPT maschio) (su richiesta - variante V43).
• Elemento sensibile
- membrana di acciaio inox AISI 316L o Duratherm, in funzione dei campi di misura.
• Pressione statica unificata per tutti i campi di misura:
- 100 bar su entrambi gli attacchi.
• Sovrapressione
- 2 x valore fondo scala su un solo attacco.
• Cella differenziale o materiale:
- di acciaio inox AISI 316L.
• Fermo membrana
- resina poliuretanica.
• Viti e dadi di fissaggio cella differenziale
- di acciaio inox AISI 304.
• Guarnizioni della cella differenziale
- di gomma nitrilica (NBR) di serie;
- di FPM (Viton) su richiesta.
• Movimento
- di acciaio inox.
• Albero di torsione
- di acciaio inox.
• Campi di scala (secondo EN 837)
o Campi di numerazione riferiti a valori di pressione compresi tra 160 mbar e 25 bar:
- vedere tabella C1 a pag. P04; (divisioni secondo tabella C1 a pag. P04).
- altri campi non normalizzati per singola o doppia scala (su richiesta).
o Unità di pressione:
- mbar, bar, kPa, kg/cm² e psi per singola o doppia scala.
o Angolo della scala:
- 270 °.
nota: i campi di misura 0 ÷ 160 mbar nel modello DP 370 hanno l’angolo della scala di 180°.
• Indice
- di alluminio a regolazione micrometrica.
• Quadrante
- di alluminio con scale graduate e scritte in nero indelebile, su fondo bianco (per eventuali modifiche al quadrante vedere le varianti previste).
• Precisione (secondo EN 837)
- classe 1,6 (± 1,6% riferito al valore di fondo scala).
nota1: in caso di strumento con contatto elettrico, la precisione indicata sul quadrante non considera l’influenza del dispositivo.
nota2: il separatore di fluido può influenzare la precisione dello strumento in funzione delle condizioni di utilizzo dovute al rapporto pressione/temperatura.
• Temperatura ambiente
- -30 ÷ +60 °C.
• Temperatura di utilizzo
- max 120 °C.