HOME | PRODOTTI | MANOMETRI A CAPSULA | SERIE BP | BP 322-D2/D3

• Diametri nominali
- 63 (minimo campo 60 mbar);
- 100 (minimo campo 6 mbar);
- 150 (minimo campo 6 mbar).
• Esecuzione
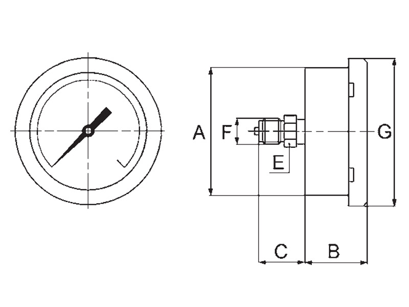
- A...montaggio diretto verticale;
- B... montaggio sporgente;
- C...montaggio incassato;
- D...montaggio diretto orizzontale;
- ...2 capsula di acciaio inox, movimento di ottone, attacco di pressione di acciaio inox AISI 316L (DN 100 e 150);
- ...3 capsula di rame al berillio, movimento di ottone, attacco di pressione di ottone (DN 63 e 100).
• Custodia
- cassa e anello a baionetta, di AISI 304 per l’esecuzione 2
o in alternativa per l’esecuzione 3 DN 100.
- cassa di acciaio verniciato nero per l’esecuzione 3.
• Grado di protezione della custodia (secondo EN 60529)
- IP 55 per l’ esecuzione 2 a secco;
- IP 67 (variante V66 e V72) per l’esecuzione 2;
- IP 43 per l’esecuzione 3.
• Trasparente
- di vetro per DN 100 e 150;
- di materia plastica per DN 63.
• Dispositivo di sicurezza
- tappo di gomma a tenuta stagna per DN 100 e 150.
• Attacco di pressione (secondo EN 837-3)
con filettatura Gas (BSP) o NPT secondo la quota F delle tabelle BP:
- di ottone (esecuzione 3);
- di AISI 316L (esecuzione 2).
• Elemento sensibile
- capsula di rame al berillio (esecuzione 3);
- capsula di acciaio inox AISI 316Ti (esecuzione 2).
• Movimento
- acciaio inox.
• Regolazione dello zero
- sul quadrante.
• Campi di scala (secondo EN 837-3)
o Campi di numerazione:
- manometri: 0 ÷ 6; 0 ÷ 10; 0 ÷ 16; 0 ÷ 25; 0 ÷ 40; 0 ÷ 60; 0 ÷ 100; 0 ÷ 160; 0 ÷ 250; 0 ÷ 400;
- vuotometri: -6 ÷ 0; -10 ÷ 0; -16 ÷ 0; -25 ÷ 0; -40 ÷ 0; -60 ÷ 0; -100 ÷ 0; -160 ÷ 0; -250 ÷ 0; -400 ÷ 0;
- manovuotometri: su richiesta. (divisioni secondo tabella C1 a pag. P04)
- altri campi non normalizzati.
o Unità di pressione:
- mbar, kPa, e psi per singola o doppia scala.
o Angolo della scala:
- 270 °.
• Pressione di esercizio (riferita al valore di fondo scala)
- da 1/10 a 2/3 circa.
• Sovrappressione (riferita al valore di fondo scala)
- non ammessa.
• Indice
- di alluminio con virola fissa.
• Quadrante
- di alluminio con scale graduate e scritte in nero indelebile su fondo bianco (per eventuali modifiche vedere le varianti previste).
• Precisione (secondo EN 837-3)
- classe 1,6 (± 1,6% riferito al valore di fondo scala).
• Temperatura ambiente
- -10 ÷+50 °C.
• Deriva termica
- al di fuori dei valori di temperatura ambiente ottimale compresi fra +15 ÷ +25 °C, la deriva termica influisce sulla precisione dello strumento nell’ordine dello 0,5% ogni 10 °C.
• Temperatura di utilizzo
- -10 ÷ +60 °C per l’esecuzione 3;
- -10 ÷ +120 °C per l’esecuzione 2.
Manometri per basse pressioni per impiego principalmente con gas