Loading...

FANTINELLI Srl

Serie BP

HOME   |   PRODOTTI   | MANOMETRI A CAPSULA | SERIE BP | BP 322-C2/C3

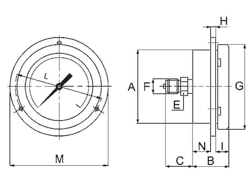
Manometro a capsula con attacco posteriore per montaggio incassato  
BP 322-C2/C3

• Diametri nominali

- 63 (minimo campo 60 mbar);

- 100 (minimo campo 6 mbar);

- 150 (minimo campo 6 mbar).


• Esecuzione

- A...montaggio diretto verticale;

- B... montaggio sporgente;

- C...montaggio incassato;

- D...montaggio diretto orizzontale;

- ...2 capsula di acciaio inox, movimento di ottone, attacco di pressione di acciaio inox AISI 316L (DN 100 e 150);

- ...3 capsula di rame al berillio, movimento di ottone, attacco di pressione di ottone (DN 63 e 100).


• Custodia

- cassa e anello a baionetta, di AISI 304 per l’esecuzione 2

o in alternativa per l’esecuzione 3 DN 100.

- cassa di acciaio verniciato nero per l’esecuzione 3.


• Grado di protezione della custodia (secondo EN 60529)

- IP 55 per l’ esecuzione 2 a secco;

- IP 67 (variante V66 e V72) per l’esecuzione 2;

- IP 43 per l’esecuzione 3.


• Trasparente

- di vetro per DN 100 e 150;

- di materia plastica per DN 63.


• Dispositivo di sicurezza

- tappo di gomma a tenuta stagna per DN 100 e 150.


• Attacco di pressione (secondo EN 837-3)

con filettatura Gas (BSP) o NPT secondo la quota F delle tabelle BP:

- di ottone (esecuzione 3);

- di AISI 316L (esecuzione 2).


• Elemento sensibile

- capsula di rame al berillio (esecuzione 3);

- capsula di acciaio inox AISI 316Ti (esecuzione 2).


• Movimento

- acciaio inox.


• Regolazione dello zero

- sul quadrante.


• Campi di scala (secondo EN 837-3)

o Campi di numerazione:

- manometri: 0 ÷ 6; 0 ÷ 10; 0 ÷ 16; 0 ÷ 25; 0 ÷ 40; 0 ÷ 60; 0 ÷ 100; 0 ÷ 160; 0 ÷ 250; 0 ÷ 400;

- vuotometri: -6 ÷ 0; -10 ÷ 0; -16 ÷ 0; -25 ÷ 0; -40 ÷ 0; -60 ÷ 0; -100 ÷ 0; -160 ÷ 0; -250 ÷ 0; -400 ÷ 0;

- manovuotometri: su richiesta. (divisioni secondo tabella C1 a pag. P04)

- altri campi non normalizzati.

o Unità di pressione:

- mbar, kPa, e psi per singola o doppia scala.

o Angolo della scala:

- 270 °.


• Pressione di esercizio (riferita al valore di fondo scala)

- da 1/10 a 2/3 circa.


• Sovrappressione (riferita al valore di fondo scala)

- non ammessa.


• Indice

- di alluminio con virola fissa.


• Quadrante

- di alluminio con scale graduate e scritte in nero indelebile su fondo bianco (per eventuali modifiche vedere le varianti previste).


• Precisione (secondo EN 837-3)

- classe 1,6 (± 1,6% riferito al valore di fondo scala).


• Temperatura ambiente

- -10 ÷+50 °C.


• Deriva termica

- al di fuori dei valori di temperatura ambiente ottimale compresi fra +15 ÷ +25 °C, la deriva termica influisce sulla precisione dello strumento nell’ordine dello 0,5% ogni 10 °C.


• Temperatura di utilizzo

- -10 ÷ +60 °C per l’esecuzione 3;

- -10 ÷ +120 °C per l’esecuzione 2.

Manometri per basse pressioni per impiego principalmente con gas

  • elemento sensibile a capsula;
  • capsula di rame al berillio o di acciaio inox;
  • DN 63 - 100 - 150;
  • campi di misura compresi fra -6 e 400 mbar.